Cảm biến tiệm cận vuông 2 dây AC UP30S-15A – hay còn gọi là cảm biến tiệm cận Hanyoung loại vuông 2 dây UP30S-15A là thiết bị được ứng dụng xác định vị trí trên thang máy, vị trí trên băng tải và phát hiện giới hạn của chuyển động có biên độ. Cảm biến tiệm cận vuông 2 dây AC UP30S-15A được dùng tín hiệu để phản hồi tốc độ quay và nhận biết vật thể kim loại mà không cần tiếp xúc.

Cảm biến tiệm cận vuông 2 dây AC UP30S-15A được thiết kế với kích thước nhỏ gọn, giúp tiết kiệm tối đa không gian lắp đặt và không gian làm việc, được sản xuất bởi Hanyoung Nux – một thương hiệu toàn cầu trong việc sản xuất, phân phối thiết bị điện công nghiệp – điện tự động hóa. Cảm biến tiệm cận vuông 2 dây AC UP30S-15A đã và đang được thị trường Việt Nam ưa chuộng và tin dùng rộng rãi.
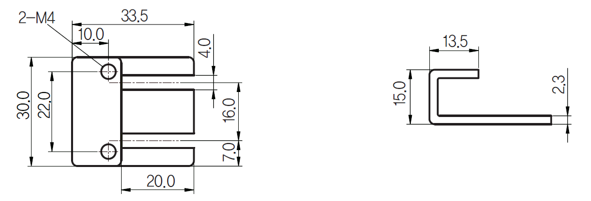
Kích thước và mặt cắt Cảm biến tiệm cận vuông 2 dây AC UP30S-15A



Đơn vị: mm
Bảng thông số kỹ thuật của Cảm biến tiệm cận vuông 2 dây AC UP30S-15A
| Mã hàng | Loại AC | UP30S-15A | UP40S-20A | |
| Vật thể phát hiện tiêu chuẩn(mm) | Sắt 45x45x1 | Sắt 60x60x1 | ||
| Khoảng cách phát hiện | 15mm | 20mm | ||
| Khoảng cách cài đặt | 0~12mm | 0~16mm | ||
| Độ trễ | Nhỏ hơn 10% khoảng cách phát hiện | |||
| Tần số đáp ứng | 20Hz | |||
| Nguồn cấp | 100-240V AC (Dải điện áp khả dụng 90 – 250V AC) | |||
| Tín hiệu ra | Công suất mạch hở/kín | Tối đa 200mA (Tải trở) | ||
| Điện áp dư | Tối đa 10V AC | |||
| Dòng tiêu thụ | Tối đa 2.2mA | |||
| Chỉ thị khi hoạt động | LED đỏ | |||
| Mạch bảo vệ | Tích hợp bảo vệ khi dòng dao động | |||
| Cấp bảo vệ | IP67 (IEC 60529) | |||
| Dạng kết nối | Loại dây cáp (Cáp tiêu chuẩn dài 2m), Cáp nối rơ le | |||
| Nhiệt độ và độ ẩm môi trường | -25~70 độ C (Nhỏ hơn ±10% theo khoảng cách phát hiện ở nhiệt độ 20 độ C). 35~85%RH | |||
| Điện trở cách điện | Tối thiểu 50MΩ (500V DC tiêu chuẩn mega) | |||
| Độ bền điện | 2000V AC 50/60 Hz trong 1 phút | |||
| Chống rung | Tần số 10-55Hz, biên độ kép 1.5mm trên mỗi phương X, Y, Z trong 2 giờ | |||
| Chống sốc | 500m/s ² trên mỗi phương X, Y, Z cho 3 lần | |||
| Vật liệu | Vỏ: Nhựa PBT, Vỏ bọc dây cáp: Nhựa dẻo Polyeste | |||
| Trọng lượng | Loại dây cáp | Khoảng 90g | Khoảng 110g | |
| Đầu nối relay | Khoảng 60g | Khoảng 80g | ||
Bảng chọn sản phẩm của Cảm biến tiệm cận vuông 2 dây AC UP30S-15A
| Mã hàng | Ký hiệu | Thông tin | ||||||
| UP | | S- | | | | | | Cảm biến tiệm cận dạng điện từ |
| Vùng cảm biến | 8 | 8 X 8 ㎜ | ||||||
| 12 | 12 X 12 ㎜ | |||||||
| 18 | 18 X 18 ㎜ | |||||||
| 25 | 25 X 25 ㎜ | |||||||
| 30 | 30 X 30 ㎜ | |||||||
| 40 | 40 X 40 ㎜ | |||||||
| Cấu trúc | S | Loại vuông | ||||||
| Khoảng cách phát hiện | 2 | 2 ㎜ (Chỉ với UP8S-2) | ||||||
| 4 | 4 ㎜ (Chỉ với UP12S-4) | |||||||
| 5 | 5 ㎜ (Chỉ với UP18S-5, UP25S-5) | |||||||
| 8 | 8 ㎜ (Chỉ với UP18S-8, UP25S-8, UP25F-8) | |||||||
| 10 | 10 ㎜ (Chỉ với UP30S-10) | |||||||
| 12 | 12 ㎜ (Chỉ với UP25S-12) | |||||||
| 15 | 15 ㎜ (Chỉ với UP30S-15) | |||||||
| 20 | 20 ㎜ (Chỉ với UP40S-20) | |||||||
| Nguồn và loại đầu ra | N | Ngõ ra DC NPN | ||||||
| P | Ngõ ra DC PNP | |||||||
| A | Loại 2 dây AC (Ngoại trừ UP18S) | |||||||
| T | Loại 2 dây DC (Phân cực) | |||||||
| U | Loại 2 dây DC (Không phân cực) | |||||||
| Trạng thái đầu ra | A | Thường mở (N.O) | ||||||
| C | Thường đóng (N.C) | |||||||
| Hướng cảm biến | – | Không chỉ thị từ mặt trước | ||||||
| U | Từ mặt trên (Chỉ dùng với loại vuông UP18S) | |||||||
| Dạng kết nối | – | Không chỉ thị (loại dây cáp) | ||||||
| CR | Đầu nối relay | |||||||







